0
LTC2140-14
  • LTC2140-14
  • LTC2140-14
  • LTC2140-14
  • LTC2140-14
  • LTC2140-14

LTC2140-14

PRODUCTION

14-Bit, 25Msps Low Power Dual ADCs

Analog Devices LTC2140-14 Product Info

10 February 2026 8

Features

  • Two-Channel Simultaneously Sampling ADC
  • 73.2dB SNR
  • 90dB SFDR
  • Low Power: 95mW/67mW/50mW Total 48mW/34mW/25mW per Channel
  • Single 1.8V Supply
  • CMOS, DDR CMOS, or DDR LVDS Outputs
  • Selectable Input Ranges: 1VP-P to 2VP-P
  • 750MHz Full Power Bandwidth S/H
  • Optional Data Output Randomizer
  • Optional Clock Duty Cycle Stabilizer
  • Shutdown and Nap Modes
  • Serial SPI Port for Configuration
  • 64-Pin (9mm × 9mm) QFN Package

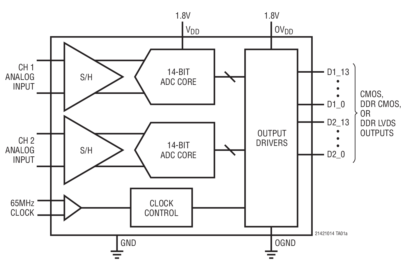
The LTC2142-14/LTC2141-14/LTC2140-14 are 2-channel simultaneous sampling 14-bit A/D converters designed for digitizing high frequency, wide dynamic range signals. They are perfect for demanding communications applications with AC performance that includes 73.2dB SNR and 90dB spurious free dynamic range (SFDR). Ultralow jitter of 0.08psRMS allows undersampling of IF frequencies with excellent noise performance.

DC specs include ±1LSB INL (typ), ±0.3LSB DNL (typ) and no missing codes over temperature. The transition noise is 1.2LSBRMS.

The digital outputs can be either full rate CMOS, double data rate CMOS, or double data rate LVDS. A separate output power supply allows the CMOS output swing to range from 1.2V to 1.8V.

The ENC+ and ENC inputs may be driven differentially or single-ended with a sine wave, PECL, LVDS, TTL, or CMOS inputs. An optional clock duty cycle stabilizer allows high performance at full speed for a wide range of clock duty cycles.

Part details & applications

The LTC2142-14/LTC2141-14/LTC2140-14 are 2-channel simultaneous sampling 14-bit A/D converters designed for digitizing high frequency, wide dynamic range signals. They are perfect for demanding communications applications with AC performance that includes 73.2dB SNR and 90dB spurious free dynamic range (SFDR). Ultralow jitter of 0.08psRMS allows undersampling of IF frequencies with excellent noise performance.

DC specs include ±1LSB INL (typ), ±0.3LSB DNL (typ) and no missing codes over temperature. The transition noise is 1.2LSBRMS.

The digital outputs can be either full rate CMOS, double data rate CMOS, or double data rate LVDS. A separate output power supply allows the CMOS output swing to range from 1.2V to 1.8V.

The ENC+ and ENC inputs may be driven differentially or single-ended with a sine wave, PECL, LVDS, TTL, or CMOS inputs. An optional clock duty cycle stabilizer allows high performance at full speed for a wide range of clock duty cycles.

  Bits
LTC2140-12 12
LTC2140-14 14

Applic