0
LTC1657
  • LTC1657
  • LTC1657
  • LTC1657

LTC1657

PRODUCTION

Parallel 16-Bit Rail-to-Rail Micropower DAC

Analog Devices LTC1657 Product Info

10 February 2026 5

Features

  • 16-Bit Monotonic Over Temperature
  • Deglitched Rail-to-Rail Voltage Output: 8nV•s
  • ICC: 650µA Typ
  • Maximum DNL Error: ±1LSB
  • Settling Time: 20µs to ±1LSB
  • Built-In Reference:
    • 2.048V (LTC1657)
    • 1.25V (LTC1657L)
  • Internal Power-On Reset to Zero Volts
  • Asynchronous CLR Pin
  • Output Buffer Configurable for Gain of 1 or 2
  • Parallel 16-Bit or 2-Byte Double Buffered Interface
  • Narrow 28-Lead SSOP Package
  • Multiplying Capability

Part details & applications

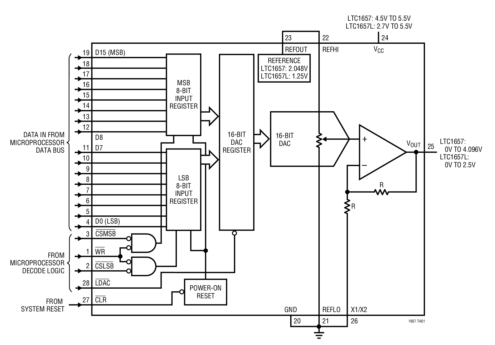
The LTC1657/LTC1657L are complete single supply, rail-to-rail voltage output, 16-bit analog-to-digital converters (DAC) in a 28-pin SSOP or PDIP package. They include a rail-to-rail output buffer amplifier, an internal reference and a double buffered parallel digital interface.

The LTC1657/LTC1657L have separate reference input pins that can be driven by an external reference. The fullscale output can be 1 or 2 times the reference voltage depending on how the X1/X2 pin is connected. The LTC1657 operates from a 4.5V to 5.5V supply and has an on-board 2.048V reference. The LTC1657L operates from a 2.7V to 5.5V supply and has an on-board 1.25V reference.

The LTC1657/LTC1657L are similar to the LTC1450/LTC1450L 12-bit VOUT DAC family, allowing an upgrade path. They are the only buffered 16-bit parallel DACs in a 28-lead SSOP package and include an onboard reference for stand alone performance.

Applications

  • Instrumentation
  • Digital Calibration
  • Industrial Process Control
  • Automatic Test Equipment
  • Communication Test Equipment

Subscribe to Welllinkchips !
Your Name
* Email
Submit a request