0
LTC1402
  • LTC1402
  • LTC1402
  • LTC1402

LTC1402

PRODUCTION

Serial 12-Bit, 2.2Msps Sampling ADC with Shutdown

Analog Devices LTC1402 Product Info

10 February 2026 17

Features

  • Sample Rate: 2.2Msps
  • 72dB S/(N + D) and -89dB THD at Nyquist
  • Power Dissipation: 90mW (Typ)
  • 80MHz Full Power Bandwidth Sampling
  • No Missing Codes over Temperature
  • Available in 16-Pin Narrow SSOP Package
  • Single Supply 5V or ±5V Operation
  • Nap Mode with Instant Wake-Up: 15mW
  • Sleep Mode: 10µW
  • True Differential Inputs Reject Common Mode Noise
  • Input Range (1mV/LSB): 0V to 4.096V or ±2.048V
  • Internal Reference Can Be Overdriven Externally
  • 3-Wire Interface to DSPs and Processors (SPI and MICROWIRE Compatible)

Part details & applications

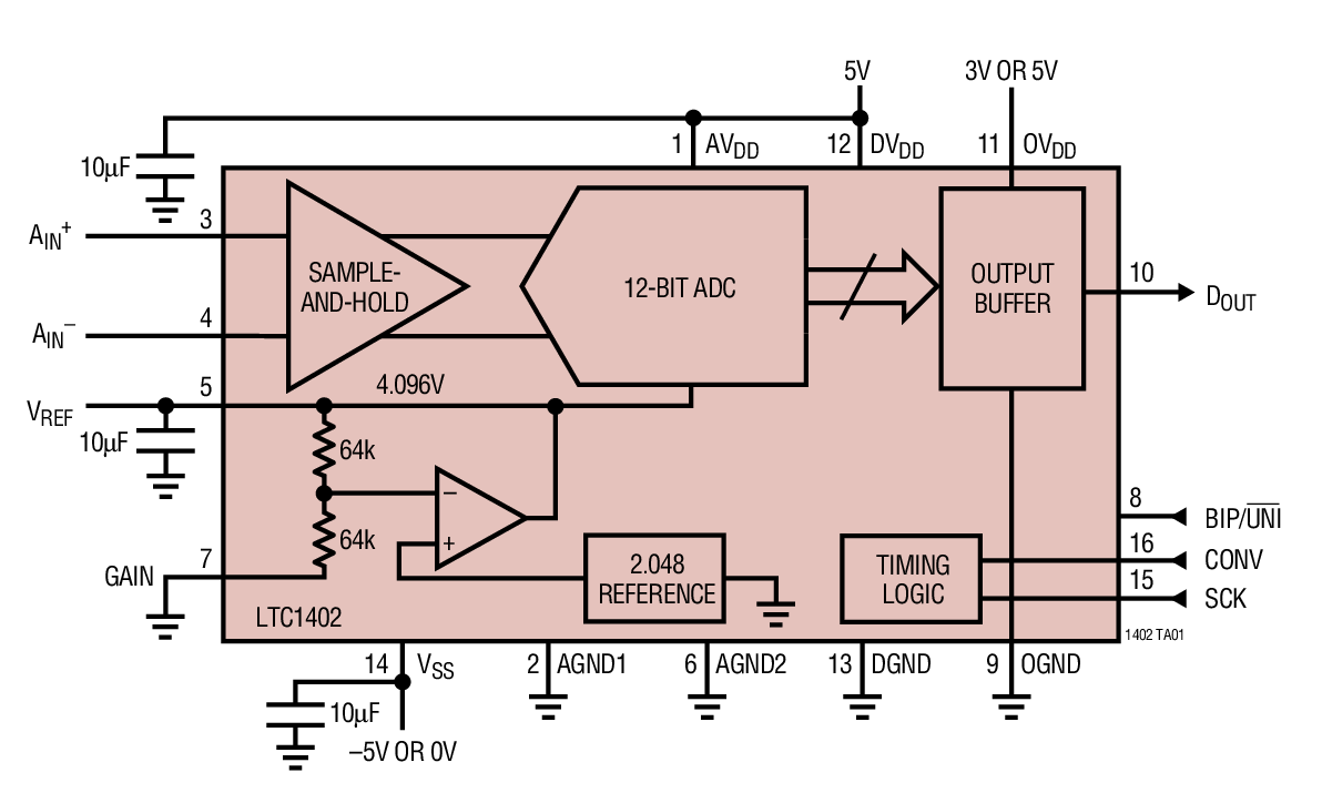
The LTC1402 is a 12-bit, 2.2Msps sampling A/D converter. This high performance device includes a high dynamic range sample-and-hold and a precision reference. It operates from a single 5V supply or dual ±5V supplies and draws only 90mW from 5V.

The versatile differential input offers a unipolar range of 4.096V and a bipolar range of ±2.048V for dual supply systems where high performance op amps perform best, eliminating the need for special translation circuitry.

The high common mode rejection allows users to eliminate ground loops and common mode noise by measuring signals differentially from the source.

Outstanding AC performance includes 72dB S/(N + D) and –93dB SFDR at the Nyquist input frequency of 1.1MHz with dual ±5V supplies and –84dB SFDR with a single 5V supply.

The LTC1402 has two power saving modes: Nap and Sleep. Nap mode consumes only 15mW of power and can wake up and convert immediately. In Sleep mode, it typically consumes 10µW of power. Upon power-up from Sleep mode, a reference ready (REFRDY) signal is available in the serial data word to indicate that the reference has settled and the chip is ready to convert.

The 3-wire serial port allows compact and efficient data transfer to a wide range of microprocessors, microcontrollers and DSPs. A digital output driver power supply pin allows direct connection to 3V or lower logic.

Applications

  • Telecommunications
  • High Speed Data and Signal Acquisition
  • Digitally Multiplexed Data Acquisition Systems
  • Digital Radio Receivers
  • Spectrum Analysis
  • Low Power and Battery-Operated Systems
  • Handheld or Portable Instruments
  • Imaging Systems

Subscribe to Welllinkchips !
Your Name
* Email
Submit a request