0
LTC1094
  • LTC1094
  • LTC1094
  • LTC1094
  • LTC1094
  • LTC1094
  • LTC1094

LTC1094

PRODUCTION

1-, 2-, 6- and 8-Channel, 10-Bit Serial I/O Data Acquisition Systems

Analog Devices LTC1094 Product Info

10 February 2026 11

Features

  • Programmable Features
    • Unipolar/Bipolar Conversions
    • Differential/Single-Ended Multiplexer Configurations
  • Sample-and-Holds
  • Single Supply 5V, 10V or ±5V Operation
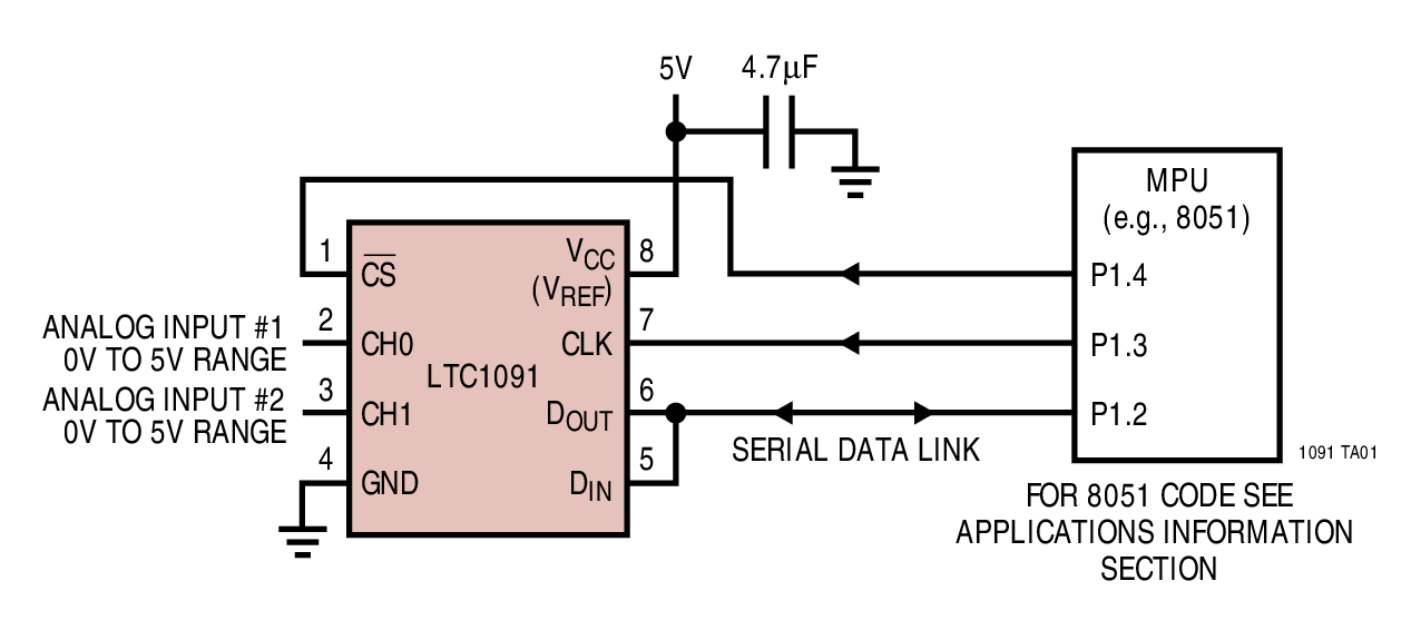
  • Direct 3- or 4-Wire Interface to Most MPU Serial Ports and All MPU Parallel I/O Ports
  • Analog Inputs Common Mode to Supply Rails
  • Resolution: 10 Bits
  • Total Unadjusted Error (A Grade): ±1LSB Over Temp
  • Fast Conversion Time: 20µs
  • Low Supply Current
    • LTC1091: 3.5mA Max, 1.5mA Typ
    • LTC1092/LTC1093/LTC1094: 2.5mA Max, 1mA Typ

Part details & applications

 The high impedance analog inputs and the ability to operate with reduced spans (below 1V full scale) allow direct connection to sensors and transducers in many applications, eliminating the need for gain stages.

An efficient serial port communicates without external hardware to most MPU serial ports and all MPU parallel I/O ports allowing eight channels of data to be transmitted over as few as three wires. This, coupled with low power consumption, makes remote location possible and facilitates transmitting data through isolation barriers.

Temperature drift of offset, linearity and full-scale error are all extremely low (1ppm/°C typically) allowing all grades to be specified with offset and linearity errors of ±0.5LSB maximum over temperature. In addition, the A grade devices are specified with full-scale error and total unadjusted error (including the effects of offset, linearity and full-scale errors) of ±1LSB maximum over temperature. The lower grade has a full-scale specification of ±2LSB for applications where full scale is adjustable or less critical.

Subscribe to Welllinkchips !
Your Name
* Email
Submit a request