0
LT3042
  • LT3042
  • LT3042
  • LT3042
  • LT3042

LT3042

RECOMMENDED FOR NEW DESIGNS

20V, 200mA, Ultralow Noise, Ultrahigh PSRR RF Linear Regulator

Analog Devices LT3042 Product Info

10 February 2026 15

Features

  • Ultralow RMS Noise: 0.8μVRMS (10Hz to 100kHz)
  • Ultralow Spot Noise: 2nV/√Hz at 10kHz
  • Ultrahigh PSRR: 79dB at 1MHz
  • Output Current: 200mA
  • Wide Input Voltage Range: 1.8V to 20V
  • Single Capacitor Improves Noise and PSRR
  • 100μA SET Pin Current: ±1% Initial Accuracy
  • Single Resistor Programs Output Voltage
  • High Bandwidth: 1MHz
  • Programmable Current Limit
  • Low Dropout Voltage: 350mV
  • Output Voltage Range: 0V to 15V
  • Programmable Power Good
  • Fast Start-Up Capability
  • Precision Enable/UVLO
  • Parallelable for Lower Noise and Higher Current
  • Internal Current Limit with Foldback
  • Minimum Output Capacitor: 4.7μF Ceramic
  • Reverse Battery and Reverse Current Protection
  • 10-Lead MSOP and 3mm × 3mm DFN Packages
  • AEC-Q100 Qualified for Automotive Applications

Part details & applications

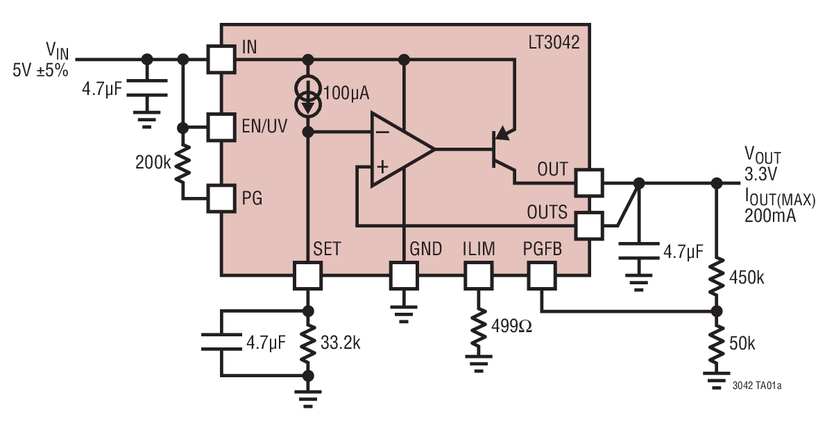
The LT3042 is a high performance low dropout linear regulator featuring LTC’s ultralow noise and ultrahigh PSRR architecture for powering noise sensitive RF applications. Designed as a precision current reference followed by a high performance voltage buffer, the LT3042 can be easily paralleled to further reduce noise, increase output current and spread heat on the PCB.

The device supplies 200mA at a typical 350mV dropout voltage. Operating quiescent current is nominally 2mA and drops to <<1μA in shutdown. The LT3042’s wide output voltage range (0V to 15V) while maintaining unity-gain operation provides virtually constant output noise, PSRR, bandwidth and load regulation, independent of the programmed output voltage. Additionally, the regulator features programmable current limit, fast start-up capability and programmable power good to indicate output voltage regulation.

The LT3042 is stable with a minimum 4.7μF ceramic output capacitor. Built-in protection includes reverse battery protection, reverse current protection, internal current limit with foldback and thermal limit with hysteresis. The LT3042 is available in thermally enhanced 10-Lead MSOP and 3mm × 3mm DFN packages.

Applications

  • RF Power Supplies: PLLs, VCOs, Mixers, LNAs
  • Very Low Noise Instrumentation
  • High Speed/High Precision Data Converters
  • Medical Applications: Imaging, Diagnostics
  • Precision Power Supplies
  • Post-Regulator for Switching Supplies

Subscribe to Welllinkchips !
Your Name
* Email
Submit a request