0
HMC948
  • HMC948

HMC948

RECOMMENDED FOR NEW DESIGNS

54 dB Logarithmic Detector SMT, 1 - 23 GHz

Analog Devices HMC948 Product Info

10 February 2026 15

Features

  • Wide Input Bandwidth: 1 to 23 GHz
  • Wide Dynamic Range:
    54 dB up to 23 GHz
  • Single Positive Supply: +3.3V
  • Excellent Stability Over Temperature 
  • Fast Rise / Fall Time: 5 / 7 ns 
  • 16 Lead 3x3mm SMT Package: 9mm²

Part details & applications

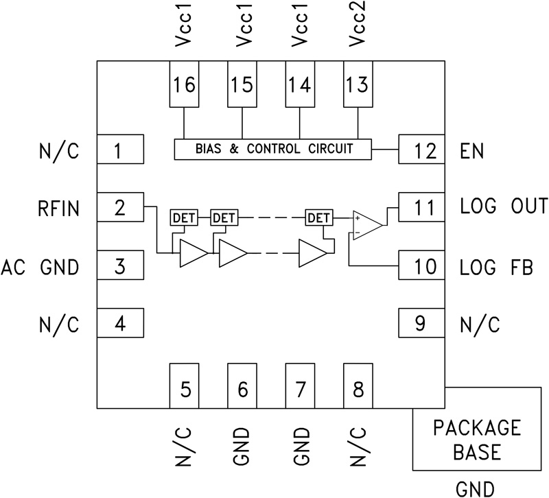
The HMC948LP3E Logarithmic Detector converts RF signals at its input, to a proportional DC voltage at its output. The HMC948LP3E employs successive compression topology which delivers high dynamic range over a wide input frequency range. As the input power is increased, successive amplifiers move into saturation one by one creating an approximation of the logarithm function.

The output of a series of square law detectors is summed, converted into the voltage domain and buffered to drive the LOG OUT output. The HMC948LP3E provides a nominal logarithmic slope of +14.2 mV/dB and an intercept of -111 dBm at 23 GHz. Ideal as a log detector for high volume microwave radio and VSAT applications, the HMC948LP3E is housed in a compact 3x3 mm RoHS compliant SMT plastic package.

Applications

  • Point-to-Point Microwave Radio
  • VSAT
  • Wideband Power Monitoring
  • Receiver Signal Strength Indication (RSSI)
  • Test & Measurement

Subscribe to Welllinkchips !
Your Name
* Email
Submit a request