0
HMC785
  • HMC785

HMC785

LAST TIME BUY

BiCMOS Mixer with Integrated LO Amplifier, 1.7 - 2.2 GHz

Analog Devices HMC785 Product Info

10 February 2026 8

Features

  • High Input IP3: +38 dBm
  • 8 dB Conversion Loss @ 0 dBm LO
  • Optimized for Low Side LO Input
  • Adjustable Supply Current
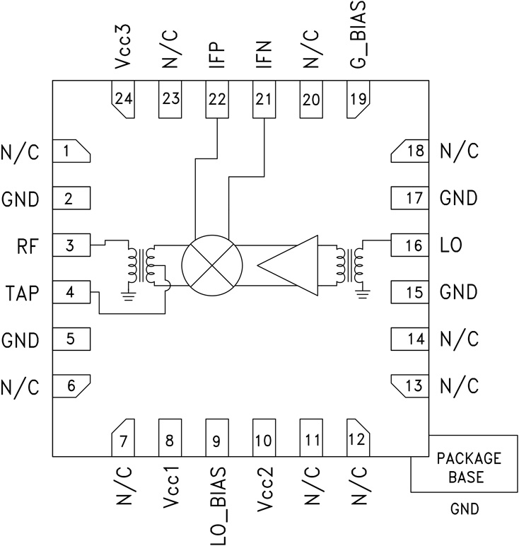
  • 24 Lead 4x4mm QFN Package: 16mm2

Part details & applications

The HMC785LP4E is a high dynamic range passive MMIC mixer with integrated LO amplifier in a 4x4 SMT QFN package covering 1.7 to 2.2 GHz. Excellent input IP3 performance of +38 dBm for down conversion is provided for 3G & 4G GSM/CDMA applications at an LO drive of 0 dBm. With an input 1 dB compression of +26 dBm, the RF port will accept a wide range of input signal levels. Conversion loss is 8 dB typical. Up to 300 MHz IF frequency response will satisfy GSM/CDMA transmit or receive frequency plans. The HMC785LP4E is optimized for low side LO frequency plans for 1.7 - 2.2 GHz RF Band and is pin for pin compatible with the HMC685LP4E.

APPLICATIONS

  • Cellular/3G & LTE/WiMAX/4G
  • Basestations & Repeaters
  • GSM, CDMA & OFDM
  • Transmitters and Receivers

Subscribe to Welllinkchips !
Your Name
* Email
Submit a request