0
HMC746
  • HMC746

HMC746

RECOMMENDED FOR NEW DESIGNS

13 Gbps Fast Rise Time AND/NAND / OR/NOR Gate with Programmable Output Voltage

Analog Devices HMC746 Product Info

10 February 2026 4

Features

  • Supports High Data Rates: up to 13 Gbps
  • Differential & Single-Ended Operation
  • Propagation Delay: 95 ps
  • Programmable Differential
    Output Voltage Swing: 600 - 1100 mV
  • Fast Rise & Fall Times: 22 / 21 ps
  • Low Power Consumption: 230 mW typ.
  • Single Supply: +3.3V
  • 16 Lead Ceramic 3×3mm SMT Package: 9mm2

Part details & applications

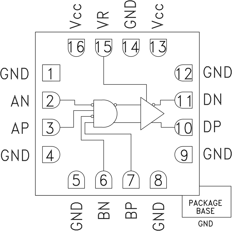
The HMC746LC3C is an AND/NAND/OR/NOR function designed to support data transmission rates of up to 14 Gbps, and clock frequencies as high as 14 GHz. The HMC746LC3C may be easily configured to provide any of the following logic functions: AND, NAND, OR and NOR.

All differential inputs to the HMC746LC3C are CML and terminated on-chip with 50 Ohms to the positive supply, Vcc, and may be AC or DC coupled. The differential CML outputs are source terminated to 50 Ohms and may also be AC or DC coupled. Outputs can be connected directly to a 50 Ohm Vcc-terminated system, while DC blocking capacitors may be used if the terminating system is 50 Ohms to ground. The HMC746LC3C also features an output level control pin, VR, which allows for loss compensation or signal-level optimization. the HMC746LC3C operates from a single 3.3 V supply and is available in ROHS-compliant 3x3 mm SMT package.

APPLICATIONS

  • RF ATE Applications
  • Broadband Test & Measurement
  • Serial Data Transmission up to 13 Gbps
  • Digital Logic Systems up to 13 GHz
  • NRZ-to-RZ Conversion

Subscribe to Welllinkchips !
Your Name
* Email
Submit a request