0
HMC733
  • HMC733

HMC733

RECOMMENDED FOR NEW DESIGNS

Wideband VCO SMT w/Buffer Amplifier, 10 - 20 GHz

Analog Devices HMC733 Product Info

10 February 2026 6

Features

  • Wide Tuning Bandwidth
  • Pout: +3 dBm
  • Low SSB Phase Noise: -90 dBc/Hz @100 kHz
  • No External Resonator Needed
  • Single Positive Supply: +5V @ 70 mA
  • 24 Lead 4x4mm SMT Package: 16mm2

Part details & applications

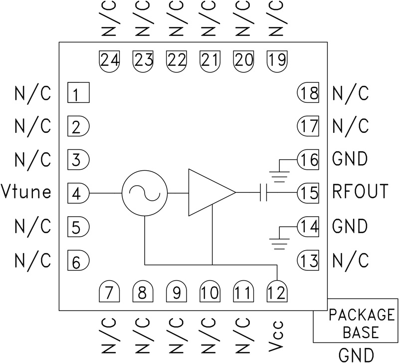
The HMC733LC4B is a wideband MMIC Voltage Controlled Oscillator which incorporates the resonator, negative resistance device, and varactor diode. Output power and phase noise performance are excellent over temperature due to the oscillator’s monolithic construction. The Vtune port accepts an analog tuning voltage from 0 to +22V. The HMC733LC4B VCO operates from a single +5V supply, consumes only 70 mA of current, and is housed in a RoHS compliant SMT package. This wideband VCO uniquely combines the attributes of ultra small size, low phase noise, low power consumption, and wide tuning range.

APPLICATIONS

  • Industrial/Medical Equipment
  • Test & Measurement Equipment
  • Military Radar, EW & ECM

Subscribe to Welllinkchips !
Your Name
* Email
Submit a request