0
HMC722LC3C
  • HMC722LC3C

HMC722LC3C

PRODUCTION

13 Gbps, Fast Rise Time AND/NAND/OR/NOR Gate, with Programmable Output Voltage

Analog Devices HMC722LC3C Product Info

10 February 2026 9

Features

  • Supports High Data Rates: up to 13 Gbps
  • Differential & Single-Ended Ouputs
  • Fast Rise & Fall Times: 19 / 18 ps
  • Low Power Consumption: 230 mW typ.
  • Single Supply: -3.3V
  • Programmable Differential Output Voltage Swing: 600 - 1100 mV
  • Propagation Delay: 95 ps
  • 16 Lead Ceramic 3 × 3mm SMT Package: 9mm2;

Part details & applications

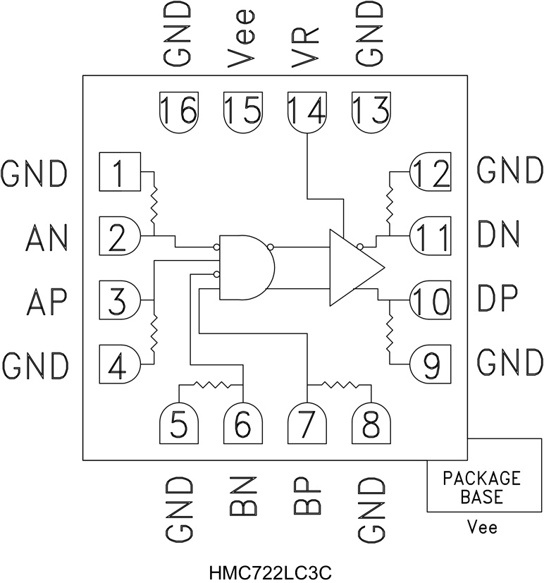
The HMC722LC3C is an AND/NAND/OR/NOR function designed to support data transmission rates of up to 13 Gbps, and clock frequencies as high as 13 GHz. The HMC772LC3C may be easily configured to provide any of the following logic functions: AND, NAND, OR and NOR. The HMC722LC3C also features an output level control pin, VR, which allows for loss compensation or for signal level optimization.

All input signals to the HMC722LC3C are terminated with 50Ω to ground on-chip, and may be either AC or DC coupled. The differential outputs of the HMC722LC3C may be either AC or DC coupled. Outputs can be connected directly to a 50Ω to ground terminated system, while DC blocking capacitors may be used if the terminating system is 50Ω to a non-ground DC voltage. The HMC722LC3C operates from a single -3.3V DC supply, and is available in a ceramic RoHS compliant 3 × 3 mm SMT package.

APPLICATIONS

  • RF ATE Applications
  • Broadband Test & Measurement
  • Serial Data Transmission up to 13 Gbps
  • Digital Logic Systems up to 13 GHz
  • NRZ-to-RZ Conversion

Subscribe to Welllinkchips !
Your Name
* Email
Submit a request