0
HMC683
  • HMC683

HMC683

LAST TIME BUY

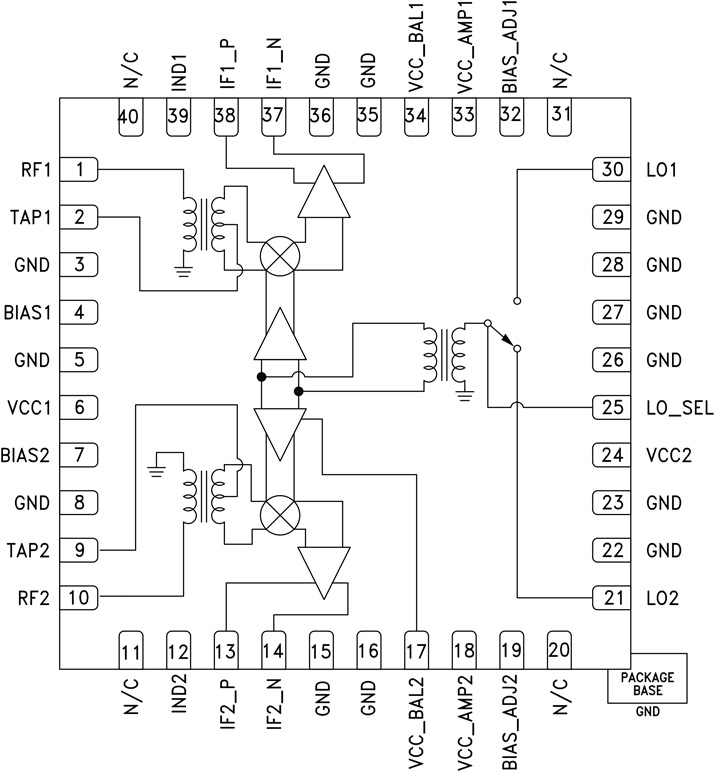
High IP3 Dual Downconverter SMT, w/LO Switch, 0.7 - 1.0 GHz

Analog Devices HMC683 Product Info

10 February 2026 7

Features

  • High Input IP3: +23 dBm
  • Conversion Gain: 7.5 dB
  • Low LO Drive: 0 dBm
  • High Channel Isolation
  • 40 Lead 6x6mm SMT Package: 36mm2

Part details & applications

The HMC683LP6C(E) is a high linearity, dual channel downconverter with integrated LO amplifier in a 6x6 SMT QFN package covering 0.7 - 1.0 GHz. Excellent input IP3 performance of +23 dBm for down conversion is provided for 3G & 4G GSM/CDMA applications at an LO drive of 0 dBm. With an input 1 dB compression of +11 dBm, the RF port will accept a wide range of input signal levels. Conversion gain is 7.5 dB typical. The 60 - 500 MHz IF frequency response will satisfy various GSM/CDMA receive frequency plans.

APPLICATIONS

  • Cellular/3G & LTE/WiMAX/4G
  • Basestations & Repeaters
  • GSM, CDMA & OFDM
  • Dual Density Receivers

Subscribe to Welllinkchips !
Your Name
* Email
Submit a request