0
HMC584
  • HMC584

HMC584

RECOMMENDED FOR NEW DESIGNS

VCO SMT with Fo/2 & Divide-by-4, 12.5 - 13.9 GHz

Analog Devices HMC584 Product Info

10 February 2026 6

Features

  • Dual Output: Fo = 12.5 - 13.9 GHz
    Fo/2 = 6.25 - 6.95 GHz
  • Phase Noise: -110 dBc/Hz @100 kHz Typ.
  • Pout: +10 dBm
  • No External Resonator Needed
  • QFN Leadless SMT Package, 25 mm2

Part details & applications

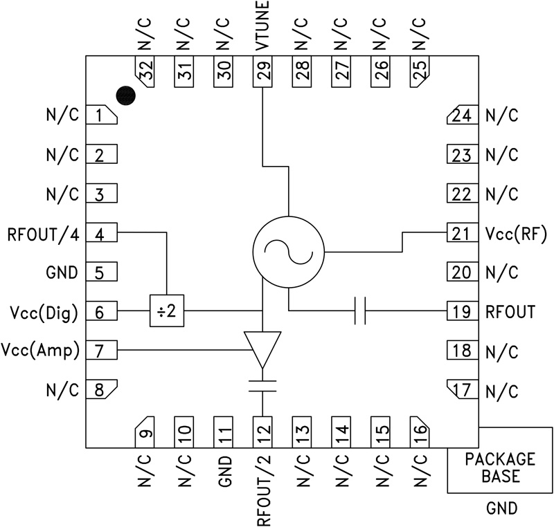
The HMC584LP5(E) is a GaAs InGaP Heterojunction Bipolar Transistor (HBT) MMIC VCO. The HMC584LP5(E) integrates resonators, negative resistance devices, varactor diodes and feature half frequency and divide-by-4 outputs. The VCO’s phase noise performance is excellent over temperature, shock, and process due to the oscillator’s monolithic structure. Power output is +10 dBm typical from a +5V supply voltage. The prescaler and RF/2 functions can be disabled to conserve current if not required. The voltage controlled oscillator is packaged in a leadless QFN 5x5 mm surface mount package, and requires no external matching components.

APPLICATIONS

  • Point to Point/Multipoint Radio
  • Test Equipment & Industrial Controls
  • SATCOM
  • Military End-Use

Subscribe to Welllinkchips !
Your Name
* Email
Submit a request