0
HMC573
  • HMC573

HMC573

RECOMMENDED FOR NEW DESIGNS

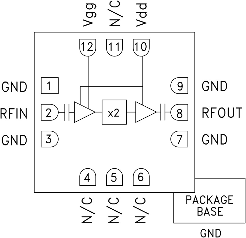
x2 Active Multiplier SMT, 8 to 22 GHz Fout

Analog Devices HMC573 Product Info

10 February 2026 13

Features

  • High Output Power: +12 dBm
  • Low Input Power Drive:
    0 to +6 dBm
  • Fo Isolation:
    >20 dBc @ Fout= 16 GHz
  • 100 KHz SSB Phase Noise:
    -134 dBc/Hz
  • Single Supply:
    +5V @ 92 mA
  • RoHS Compliant 3×3 mm SMT Package

Part details & applications

The HMC573LC3B is a x2 active broadband frequency multiplier utilizing GaAs PHEMT technology in a leadless RoHS compliant SMT package. When driven by a +5 dBm signal, the multiplier provides +12 dBm typical output power from 8 to 22 GHz. The Fo and 3Fo isolations are >20 dBc and >25 dBc respectively at 16 GHz.

The HMC573LC3B is ideal for use in LO multiplier chains for Pt to Pt & VSAT Radios yielding reduced parts count vs. traditional approaches. The low additive SSB Phase Noise of -134 dBc/Hz at 100 kHz offset helps maintain good system noise performance. The RoHS packaged HMC573LC3B eliminates the need for wire bonding, and allows the use of surface mount manufacturing techniques.

APPLICATIONS

  • Clock Generation Applications:
    SONET OC-192 & SDH STM-64
  • Point-to-Point & VSAT Radios
  • Test Instrumentation
  • Military & Space

Subscribe to Welllinkchips !
Your Name
* Email
Submit a request