0
HMC539A
  • HMC539A

HMC539A

RECOMMENDED FOR NEW DESIGNS

0.25 dB LSB GaAs MMIC 5-BIT Digital Positive Control Attenuator, DC - 4 GHz

Analog Devices HMC539A Product Info

10 February 2026 5

Features

  • 0.25 dB LSB steps to 7.75 dB
  • ± 0.05 dB typical step error
  • Low insertion loss: 0.7 dB
  • High IP3: +62 dBm
  • Single control line per bit
  • TTL/CMOS compatible control
  • Single +3V to +5V supply
  • 3x3 mm SMT package

Part details & applications

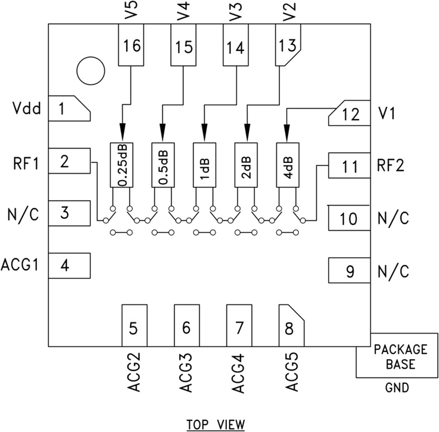
The HMC539ALP3/539ALP3E is a broadband 5-bit GaAs IC digital attenuator in a low cost leadless surface mount package. This single positive control line per bit digital attenuator utilizes an off chip AC ground capacitor for near DC operation, making it suitable for a wide variety of RF and IF applications. Covering DC to 4 GHz, the insertion loss is less than 0.7 dB typical. The attenuator bit values are 0.25 (LSB), 0.5, 1, 2, and 4 dB for a total attenuation of 7.75 dB. Attenuation accuracy is excellent at ± 0.05 dB typical step error. The attenu- ator also features a high IIP3 of +62 dBm. Five TTL/ CMOS control inputs are used to select each attenuation state. A single Vdd bias of +3V to +5V is required.

Applications

  • Cellular infrastructure
  • ISM, MMDS, WLAN, WiMAX, WiBro
  • Microwave radio and VSAT
  • Test equipment and sensors

Subscribe to Welllinkchips !
Your Name
* Email
Submit a request