0
HMC430
  • HMC430

HMC430

RECOMMENDED FOR NEW DESIGNS

VCO SMT w/Buffer Amplifier, 5.0 - 5.5 GHz

Analog Devices HMC430 Product Info

10 February 2026 8

Features

  • Pout: +2 dBm
  • Phase Noise: -103 dBc/Hz @100 kHz
  • No External Resonator Needed
  • Single Supply: 3V @ 27 mA
  • 16mm2 Leadless SMT Package

Part details & applications

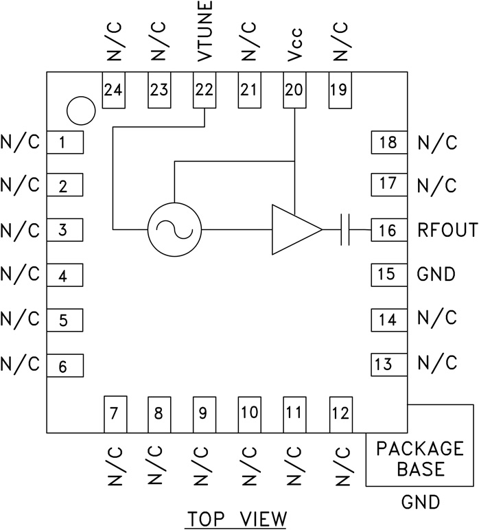
The HMC430LP4(E) is a GaAs InGaP Heterojunction Bipolar Transistor (HBT) MMIC VCO with an integrated resonator, negative resistance device, varactor diode, and buffer amplifier. The VCO’s phase noise performance is excellent over temperature, shock, vibration and process due to the oscillator’s monolithic structure. Power output is 2 dBm typical from a 3V supply voltage. The voltage controlled oscillator is packaged in a low cost leadless QFN 4x4 mm surface mount package.

APPLICATIONS

  • 802.11a & HiperLAN WLAN 
  • VSAT Radios 
  • UNII & Point-to-Point Radios

Subscribe to Welllinkchips !
Your Name
* Email
Submit a request