0
HMC1095
  • HMC1095

HMC1095

RECOMMENDED FOR NEW DESIGNS

0.5 dB LSB GaAs MMIC 6-bit 75 Ohms Digital Attenuator, DC - 3 GHz

Analog Devices HMC1095 Product Info

10 February 2026 6

Features

  • 0.5 dB LSB Steps to 31.5 dB
  • Power-Up State Selection
  • High Input IP3: +57 dBm 
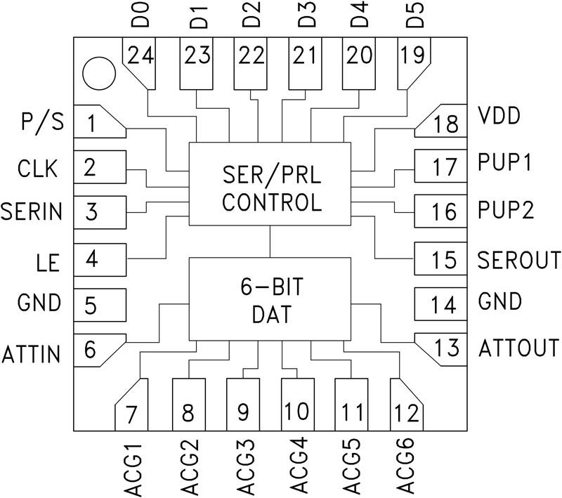
  • TTL/CMOS Compatible, Serial, Parallel or Latched Parallel Control
  • Low Insertion Loss: 1.5 dB @ 1.0 GHz
  • ±0.25 dB Typical Step Error
  • Single +3V or +5V Supply
  • 16 mm2 Leadless SMT Plastic Package

Part details & applications

The HMC1095LP4E is a broadband 6-bit GaAs IC Digital Attenuator in a low cost leadless SMT package. This versatile digital attenuator incorporates off-chip AC ground capacitors for near DC operation, making it suitable for a wide variety of RF and IF applications. The dual mode control interface is CMOS/TTL compatible, and accepts either a three wire serial input or a 6 bit parallel word. The HMC1095LP4E also features a user selectable power up state and a serial output port for cascading other Hittite serial controlled components. The HMC1095LP4E is housed in a RoHS compliant 4×4 mm QFN leadless package, and requires no external matching components.

APPLICATIONS

  • CATV/Satellite Set Top Boxes
  • CATV Modems
  • CATV Infrastructure
  • Data Network Equipment

Subscribe to Welllinkchips !
Your Name
* Email
Submit a request