0
DS1882
  • DS1882

DS1882

PRODUCTION

Dual Log Audio Digital Potentiometer Provides Low-Noise, Low-Distortion Digital Volume Control for Dual-Supply Applications

Analog Devices DS1882 Product Info

10 February 2026 10

Features

  • Dual, Audio Log Taper Potentiometers
  • Low THD+N and Crosstalk
  • ±7V Analog Supply (Independent of Digital Supply)
  • 5V Digital Supply
  • Potentiometer Settings Configurable as Nonvolatile or Volatile
  • Zero-Crossing Detector Eliminates Switching Noise
  • Two User-Configurable Attenuation Options
  • Configuration Option 1: 63 Positions Provide 1dB Attenuation Steps from 0dB to -62dB Plus Mute
  • Configuration Option 2: (Software-Compatible with the DS1808): 33 Positions Plus Mute as Follows
    • Positions 0–12: 1dB per Step for 12 Steps
    • Positions 13–24: 2dB per Step for 12 Steps
    • Positions 25–32: 3dB per Step for 8 Steps
  • I²C-Compatible Serial Interface
  • Three Address Pins Allow Up to 8 Devices on I²C Bus
  • 45kΩ Potentiometer End-to-End Resistance
  • Industrial Temperature Range (-40°C to +85°C)
  • 16-Pin TSSOP or SO Package

Part details & applications

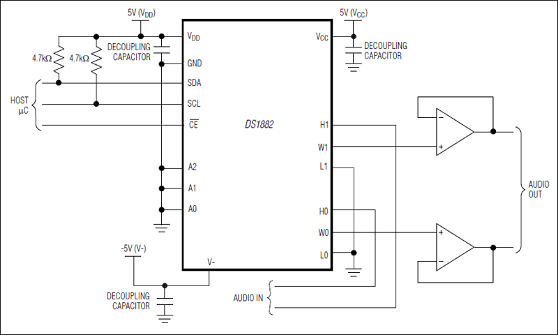
The DS1882 is a dual, nonvolatile (NV) digital potentiometer designed to operate in audio systems that accomodate up to ±7V signal levels. The potentiometer settings can be stored in EEPROM so that they are retained when the power is cycled. The DS1882 has separate supplies for the potentiometers (VCC) and the communication circuitry (VDD). For clickless/popless operation, a zero-crossing detector allows the wiper position to change when there is no voltage across the potentiometer. The DS1882 is also designed to minimize crosstalk, and the two digital potentiometers provide 0.5dB channel-to-channel matching to prevent volume differences between channels. Total harmonic distortion (THD) is also minimal as long as the wiper drives a high-impedance load.

Two attenuation configuration options provide optimum flexibility for the specific application. Configuration Option 1 provides 63 logarithmic tapered steps (0dB to -62dB, 1dB/step) plus a mute setting. Configuration Option 2 has 32 logarithmic steps plus mute and provides software compatibility with the DS1808. When Configuration Option 2 is used in combination with the 16-pin SO package, the DS1882 is both software and pin compatible with the DS1808 in 5V applications.

Applications

  • Car Stereo
  • Consumer Audio/Video
  • Notebook and PC Audio
  • Portable Audio Equipment

Subscribe to Welllinkchips !
Your Name
* Email
Submit a request