0
DS1558
  • DS1558

DS1558

PRODUCTION

Watchdog Clocks with NV RAM Control Discrete Component Option to DS155X Watchdog Clock Modules

Analog Devices DS1558 Product Info

10 February 2026 5

Features

  • Integrated Real-Time Clock (RTC), Power-Fail Control Circuit, and NV RAM Controller
  • Clock Registers are Accessed Identically to the Static RAM; These Registers are Resident in the 16 Top RAM Locations
  • Century Register
  • Greater than 10 Years of Timekeeping and Data Retention in the Absence of Power with Small Lithium Coin Cell(s) and Low-Leakage SRAM
  • Precision Power-On Reset
  • Programmable Watchdog Timer and RTC Alarm
  • BCD-Coded Year, Month, Date, Day, Hours, Minutes, and Seconds with Automatic Leap-Year Compensation Valid Up to the Year 2100
  • Battery Voltage-Level Indicator Flag
  • Power-Fail Write Protection Allows for ±10% VCC Power-Supply Tolerance

Part details & applications

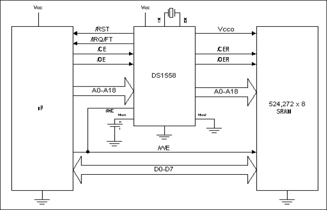
The DS1558 is a full function, year 2000-compliant (Y2KC), real-time clock/calendar with an RTC alarm, watchdog timer, power-on reset, battery monitor, and NV SRAM controller. User access to all registers within the DS1558 is accomplished with a byte-wide interface as shown in Figure 1. The RTC registers contain century, year, month, date, day, hours, minutes, and seconds data in 24-hour BCD format. Corrections for day of month and leap year are made automatically.

The DS1558 maps the RTC registers into the SRAM address space and constantly monitors A0-A18. When any of the upper 16 address locations are accessed, the DS1558 inhibits active-low CER and active-low OER to the SRAM, and redirects reads and writes to the RTC registers within the DS1558. The DS1558 can be used with SRAMs up to 524,272 addresses. Smaller SRAMs can be used, provided that the unused upper address lines on the DS1558 are connected to VCC.

The RTC registers are double-buffered into an internal and external set. The user has direct access to the external set. Clock/calendar updates to the external set of registers can be disabled and enabled to allow the user to access static data. Assuming the internal oscillator is turned on, the internal set of registers is continuously updated; this occurs regardless of external register settings to guarantee that accurate RTC information is always maintained.

The DS1558 has interrupt (active-low IRQ/FT) and reset (active-low RST) outputs that can be used to control CPU activity. The active-low IRQ/FT interrupt output can generate an external interrupt when the RTC register values match user-programmed alarm values. The interrupt is always available while the device is powered from the system supply, and it can be programmed to occur when in the battery-backed state to serve as a system wake-up. The active-low IRQ/FT output can also be used as a

Subscribe to Welllinkchips !
Your Name
* Email
Submit a request