0
DAC8228
  • DAC8228

DAC8228

PRODUCTION

Dual 8-Bit, CMOS, Voltage Output, D/A Converter in a Single Chip

Analog Devices DAC8228 Product Info

10 February 2026 5

Features

  • Two 8-Bit Voltage Out DACs in a Single Chip
  • Fits 7528/7628 Sockets
  • Adjustment Free Internal CMOS Ops Amps
  • Single +12V to +15V Operation
  • TTL Compatible Over Full VDD range
  • Fast Interface Timing ..............TWR = 50 ns
  • Improved Resistance to ESD
  • Available in Small Outline Package
  • CerDIP and Epoxy Packages come in the Extended Industrial Temperature Range of -40°C to +85°C
  • Available in Die Form

Part details & applications

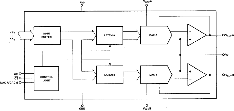
The DAC-8228 is a dual 8-bit, voltage output, CMOS, D/A converter in a single chip. It was designed to drop into AD7528 / AD7628 sockets eliminating two external op amps in applications such as hard disk drives. These applications generally operate the AD7528 / AD7628 with zero volts applied to VREF and offset AGND to +2.5 or +5 volts. The DAC-8228 is tested under both these conditions.

The DAC-8228 can also be used in those applications requiring a unipolar output voltage. It can deliver an output voltage between 0V and +10V with VDD = +14V (maximum output voltage is VDD -4V). The DAC-8228's reference input can accept a negative voltage from 0V to -10V (the DAC's internal unity-gain inverting amplifier inverts the input signal). Choose the DAC-8229 for bipolar operation.

The DAC8228 offers CerDIP and plastic packaged devices in the extended industrial temperature range of -40° to +85°C. Applications requiring the military temperature range should use the DAC-8229. To make the DAC-8229 pin and functionally compatible with the DAC-8228, AGND A and AGND B should be tied together to function as VZ, and VSS connected to GND.

The DAC-8228 consists of two CMOS voltage output amplifiers, two high-accuracy R-2R resistor ladder networks, interface control logic, and two 8-bit registers. An internal regulator maintains TTL logic compatibility and fast microprocessor interface timing over the full VDD range.

The DAC-8228 dissipates only 90mW in the space saving 20-pin 0.3" DIP or the 20-lead SO surface mount package. Its compact size, low power, and economical cost per channel, makes it attractive for applications requiring multiple D/A converters without sacrificing circuit-board space. Reduced parts cou