0
ADPL42001
  • ADPL42001
  • ADPL42001
  • ADPL42001
  • ADPL42001
  • ADPL42001

ADPL42001

RECOMMENDED FOR NEW DESIGNS

4V to 20V, 100mA, Ultra-Low Quiescent Current, Linear Regulator

Analog Devices ADPL42001 Product Info

10 February 2026 9

Features

  • Easy to Use 
    • Only 4 External Components Required 
    • Stable with Tiny 4.7μF, 0805 Output Capacitor
    • All Ceramic Capacitors, Compact Layout
  • Reduces Number of Linear Regulators to Stock
    • Wide 4V to 20V Input Voltage Range
    • Adjustable 0.6V to 18V Output
    • Up to 100mA Load Current Capability
  • Operates Reliably in Adverse Industrial Environments
    • Built-In Output Voltage Monitoring with PGOOD Pin
    • High-Voltage ENABLE Input
    • Low 8μA Quiescent Current
    • Low Dropout Voltage of 560mV at 100mA
    • Overload Protection
    • Overtemperature Protection
    • Wide -40°C to +125°C Ambient Operating Temperature Range/-40°C to +150°C Junction Temperature Range

Part details & applications

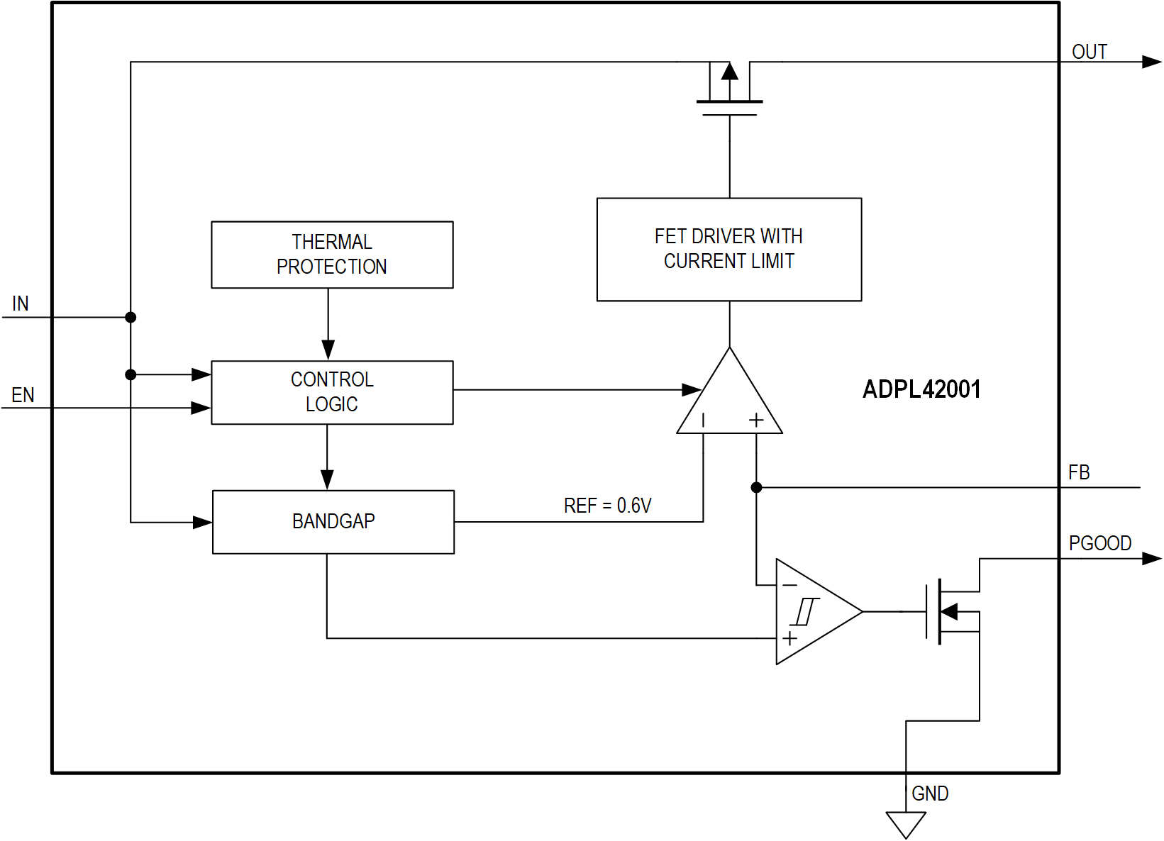
The ADPL42001 ultra-low quiescent current, highvoltage linear regulator is ideal for use in industrial and battery-operated systems. The device operates from a 4V to 20V input voltage, delivers up to 100mA of load current, and consumes only 8μA of quiescent current at no load. The device consumes only 0.9μA current when in shutdown. Output voltage is adjustable in the 0.6V to 18V voltage range. Feedback voltage accuracy is ±2% over temperature.

An open-drain PGOOD pin provides a power-good signal to the system, achieving successful regulation of the output voltage. The device also incorporates an enable pin (EN) that allows the user to turn the part on or off. The device has a thermal shutdown feature that shuts down the part when the die temperature exceeds 165°C. The ADPL42001 operates over the -40°C to +125°C industrial temperature range and is available in a 6-lead, compact TSOT and a 6-pin (3mm x 3mm) TDFN packages.

APPLICATIONS

  • Battery-Powered Equipment
  • Post Regulator for Switching Power Supplies
  • Body Electronics and Lighting

Subscribe to Welllinkchips !
Your Name
* Email
Submit a request