0
ADMV1011
  • ADMV1011
  • ADMV1011
  • ADMV1011

ADMV1011

RECOMMENDED FOR NEW DESIGNS

17 GHz to 24 GHz, GaAs, MMIC, I/Q Upconverter

Analog Devices ADMV1011 Product Info

10 February 2026 6

Features

  • RF output frequency range: 17 GHz to 24 GHz
  • IF input frequency range: 2 GHz to 4 GHz
  • LO input frequency range: 8GHz to 12 GHz with 2× multiplier
  • Sideband rejection: 32 dB for lower sideband
  • P1dB: 25 dBm
  • Gain regulation: 30 dB
  • Output IP3: 33 dBm
  • Matched 50 Ω RF output, LO input, and IF input
  • 32-terminal, 4.9 mm × 4.9 mm LCC package

Part details & applications

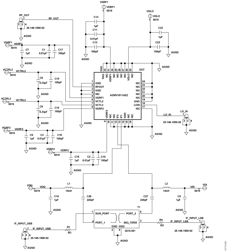
The ADMV1011 is a compact, gallium arsenide (GaAs) design, monolithic microwave integrated circuit (MMIC), double sideband (DSB) upconverter in a RoHS compliant package optimized for point to point microwave radio designs that operates in the 17 GHz to 24 GHz frequency range.

The ADMV1011 provides 21 dB of conversion gain with 32 dBc of sideband rejection for the lower sideband and 23 dBc of sideband rejection for the upper sideband. The ADMV1011 uses a radio frequency (RF) amplifier preceded by an in phase/quadrature (I/Q) double balanced mixer, where a driver amplifier drives the local oscillator (LO) with a 2× multiplier. IF1 and IF2 mixer inputs are provided and an external 90° hybrid is needed to select the required sideband. The I/Q mixer topology reduces the need for filtering the unwanted sideband. The ADMV1011 is a much smaller alternative to hybrid style DSB upconverter assemblies and it eliminates the need for wire bonding by allowing the use of surface-mount manufacturing assemblies.

The ADMV1011 upconverter comes in a compact, thermally enhanced, 4.9 mm × 4.9 mm LCC package. The ADMV1011 operates over the −40°C to +85°C temperature range.

Applications

  • Point to point microwave radios
  • Radars and electronic warfare systems
  • Instrumentation, automatic test equipment

Subscribe to Welllinkchips !
Your Name
* Email
Submit a request