0
ADM489
  • ADM489
  • ADM489

ADM489

PRODUCTION

5 V, Slew-Rate Limited, Low Power, 250 kbps, Full Duplex EIA RS-485 Transceiver (with DE/RE)

Analog Devices ADM489 Product Info

10 February 2026 5

Features

  • Meets EIA RS-485 Standard
  • 250 kbps Data Rate
  • Single 5 V ± 10% Supply
  • –7 V to +12 V Bus Common-Mode Range
  • 12 kO Input Impedance
  • 2 kV EFT Protection Meets IEC1000-4-4
  • High EM Immunity Meets IEC1000-4-3
  • Reduced Slew Rate for Low EM Interference
  • Short Circuit Protection
  • Excellent Noise Immunity
  • 30 µA Supply Current

Part details & applications

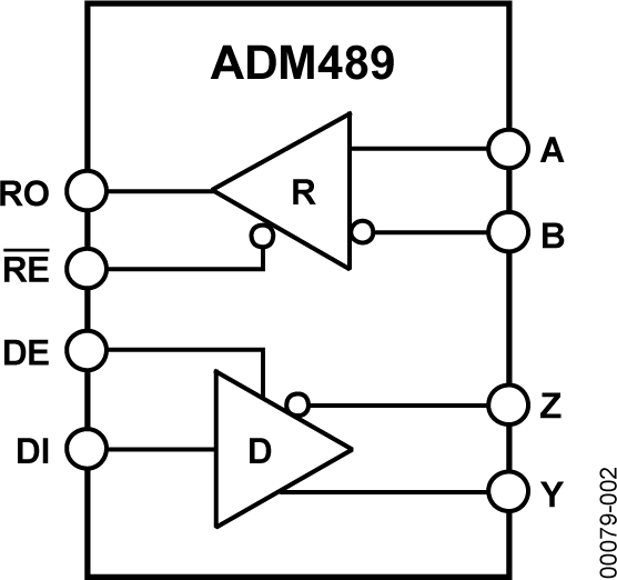
The ADM488 and ADM489 are low power differential line transceiver suitable for communication on multipoint bus transmission lines.

They are intended for balanced data transmission and comply with both EIA Standards RS-485 and RS-422. Both products contains a single differential line driver and a single differential line receiver making them suitable for full duplex data transfer.

The ADM489 contains an additional receiver and driver enable control.

The input impedance is 12 kΩ, allowing 32 transceivers to be connected on the bus.

The ADM488 / ADM489 operates from a single +5 V ± 10% power supply. Excessive power dissipation caused by bus contention or by output shorting is prevented by a thermal shutdown circuit. This feature forces the driver output into a high impedance state if during fault conditions a significant temperature increase is detected in the internal driver circuitry.

The receiver contains a fail-safe feature that results in a logic high output state if the inputs are unconnected (floating). The ADM488 / ADM489 is fabricated on BiCMOS, an advanced mixed technology process combining low power CMOS with fast switching bipolar technology.

The ADM488 / ADM489 is fully specified over the industrial temperature range and is available in DIP, SOIC and TSSOP packages.

Subscribe to Welllinkchips !
Your Name
* Email
Submit a request