0
ADM3232E
  • ADM3232E
  • ADM3232E

ADM3232E

PRODUCTION

±15 kV ESD Protected, 3.3 V, RS-232 Line Driver/Receiver

Analog Devices ADM3232E Product Info

10 February 2026 8

Features

  • Data rate: 460 kbps 
  • 2 Tx and 2 Rx 
  • Meets EIA-232E specifications 
  • 0.1 μF charge pump capacitors 
  • ESD protection to IEC1000-4-2 (801.2) on TTL/CMOS and RS-232 I/Os 
  • Contact discharge: ±8 kV 
  • Air gap discharge: ±15 kV

Part details & applications

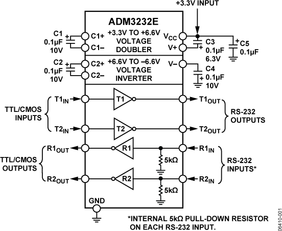
The ADM3232E transceiver is a high speed, 2-channel RS-232/V.28 interface device that operates from a single 3.3 V power supply. Low power consumption makes it ideal for battery-powered portable instruments. The ADM3232E conforms to the EIA-232E and CCITT V.28 specifications and operates at data rates up to 460 kbps.

All RS-232 (TxOUT and RxIN) and TTL/CMOS (TxIN and RxOUT) inputs and outputs are protected against electrostatic discharges (up to ±15 kV ESD protection). This ensures compliance with IEC 1000-4-2 requirements.

This device is ideally suited for operation in electrically harsh environments or where RS-232 cables are frequently plugged/ unplugged, with the ±15 kV ESD protection of the ADM3232E input/output pins.

Emissions are also controlled to within very strict limits. CMOS technology is used to keep the power dissipation to an absolute minimum, allowing maximum battery life in portable applications.

Four external 0.1 μF charge pump capacitors are used for the voltage doubler/inverter, permitting operation from a single 3.3 V supply.

The ADM3232E is available in a 16-lead narrow SOIC package, as well as a space-saving 16-lead TSSOP.

APPLICATIONS

  • General-purpose RS-232 data link
  • Portable instruments
  • Handsets
  • Industrial/telecom diagnostic ports

Subscribe to Welllinkchips !
Your Name
* Email
Submit a request