0
ADG804
  • ADG804

ADG804

PRODUCTION

0.5 Ω CMOS 1.65 V TO 3.6 V 4-Channel Multiplexer

Analog Devices ADG804 Product Info

10 February 2026 6

Features

  • 0.5 Ω Typical on Resistance
  • 0.8 Ω Maximum on Resistance at 125°C
  • 1.65 V to 3.6 V Operation
  • Automotive Temperature Range:
    –40°C to +125°C
  • High Current Carrying Capability: 300 mA Continuous
  • Rail-to-Rail Switching Operation
  • Fast Switching Times <25 ns
  • Typical Power Consumption (<0.1 µW)

Part details & applications

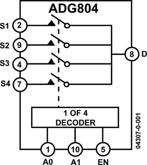
The ADG804 is a low voltage 4-channel CMOS multiplexer comprising four single channels. This device offers ultralow on resistance of less than 0.8 Ω over the full temperature range. The digital inputs can handle 1.8 V logic with a 2.7 V to 3.6 V supply. 

The ADG804 switches one of four inputs to a common output, D, as determined by the 3-bit binary address lines, A0, A1, and EN. A Logic 0 on the EN pin disables the device. The ADG804 has break-before-make switching. 

The ADG804 is fully specified for 3.3 V, 2.5 V, and 1.8 V supply operation. It is available in a 10-lead MSOP package.

PRODUCT HIGHLIGHTS

  1. <0.8 Ω over full temperature range of –40°C to +125°C.
  2. Single 1.65 V to 3.6 V operation.
  3. Operational with 1.8 V CMOS logic.
  4. High current handling capability (300 mA continuous current at 3.3 V).
  5. Low THD + N (0.02% typ).
  6. Small 10-lead MSOP package.  

APPLICATIONS

  • MP3 players
  • Power routing
  • Battery-powered systems
  • PCMCIA cards
  • Cellular phones
  • Modems
  • Audio and video signal routing
  • Communication systems

Subscribe to Welllinkchips !
Your Name
* Email
Submit a request