0
ADG709
  • ADG709

ADG709

PRODUCTION

CMOS Low Voltage, 3 Ω 4-Channel Multiplexer

Analog Devices ADG709 Product Info

10 February 2026 7

Features

  • 1.8 V to 5.5 V Single Supply
  • ± 2.5 V Dual Supply
  • 3 Ω On-Resistance
  • 0.75 Ω On-Resistance Flatness
  • 100 pA Leakage Currents
  • 14 ns Switching Times
  • Single 8-to-1 Multiplexer ADG708
  • Differential 4-to-1 Multiplexer ADG709
  • 16-Lead TSSOP Package
  • Low Power Consumption
  • TTL/CMOS-Compatible Inputs

Part details & applications

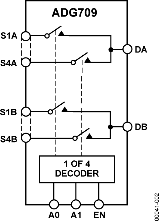
The ADG709 is a low voltage, CMOS analog multiplexer comprising four differential channels. The ADG709 switches one of four differential inputs to a common differential output as determined by the 2-bit binary address lines A0 and A1. An EN input is used to enable or disable the device. When disabled, all channels are switched OFF.

Low power consumption and operating supply range of 1.8 V to 5.5 V make the ADG709 ideal for battery-powered, portable instruments. All channels exhibit break-before-make switching action preventing momentary shorting when switching channels.

The ADG709 is available in a 16-lead TSSOP package. The ADG708 is an eight Channel Multiplexer.

Subscribe to Welllinkchips !
Your Name
* Email
Submit a request