0
ADG604
  • ADG604
  • ADG604

ADG604

PRODUCTION

1 pC Charge Injection, 100 pA Leakage CMOS ±5 V/5 V/3 V 4-Channel Multiplexer

Analog Devices ADG604 Product Info

10 February 2026 6

Features

  • 1 pC Charge Injection (Over the Full Signal Range)
  • ±2.7 V to ±5.5 V Dual Supply
  • 2.7 V to 5.5 V Single Supply
  • Temperature Range: −40°C to +125°C
  • 100 pA Max @ 25°C Leakage Currents
  • 85 Ω Typ On Resistance
  • Rail-to-Rail Operation
  • Fast Switching Times
  • Typical Power Consumption (<0.1 μW)
  • TTL/CMOS Compatible Inputs
  • 14-Lead TSSOP Package

Part details & applications

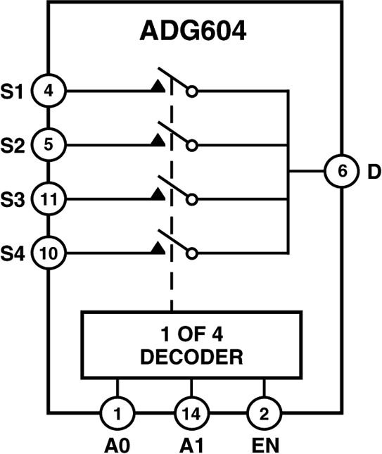
The ADG604 is a CMOS analog multiplexer, comprising four single channels. It operates from a dual supply of ± 2.7 V to ±5.5 V, or from a single supply of 2.7 V to 5.5 V.

The ADG604 switches one of four inputs to a common output, D, as determined by the 3-bit binary address lines, A0, A1, and EN. A Logic “0” on the EN pin disables the device.

The ADG604 offers ultralow charge injection of ±1.5 pC over the entire signal range and leakage currents of 10 pA typical at 25°C. It offers on resistance of 85 Ω typ, which is matched to within 2 Ω between channels. The ADG604 also has low power dissipation yet gives high switching speeds. The ADG604 is available in a 14-lead TSSOP package.

PRODUCT HIGHLIGHTS

  1. Ultralow Charge Injection (QINJ: ±1.5 pC Typ over the Full Signal Range)
  2. Leakage Current <0.5 nA max @ 85°C
  3. Dual ±2.7 V to ±5.5 V or Single 2.7 V to 5.5 V Supply
  4. Fully Specified to 125°C
  5. Small 14-Lead TSSOP Package

APPLICATIONS

  • Automatic Test Equipment
  • Data Acquisition Systems
  • Battery-Powered Instruments
  • Communication Systems
  • Sample and Hold Systems
  • Remote-Powered Equipment
  • Audio and Video Signal Routing
  • Relay Replacement
  • Avionics

Subscribe to Welllinkchips !
Your Name
* Email
Submit a request