0
ADG201A
  • ADG201A

ADG201A

PRODUCTION

60 Ohm, Quad SPST Switch

Analog Devices ADG201A Product Info

10 February 2026 8

Features

  • 44 V Supply Maximum Rating
  • ±15 V Analog Signal Range
  • Low RON (60Ω)
  • Low Leakage (0.5nA)
  • Break-Before-Make Switching Action
  • Extended Plastic Temperature Range (-40ºC to +85ºC)
  • Low Power Dissipation (33 mW)
  • TTL/CMOS Compatible
  • Superior Second Source for
  • DG201A/HI201
  • 16-Lead DIP/SOIC Packages

ADG201A-EP supports defense and aerospace applications (AQEC standard)

  • Download ADG201A-EP data sheet (pdf)
  • Military temperature range: −55°C to +125°C
  • Controlled manufacturing baseline
  • One assembly and test site
  • One fabrication site
  • Enhanced product change notification
  • Qualification data available on request
  • V62/12638 DSCC Drawing Number

Part details & applications

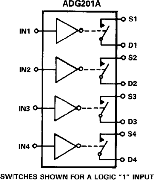
The ADG201A is a monolithic CMOS device comprising four independently selectable switches. They are designed on an enhanced LC2MOS process which gives an increased signal handling capability of ±15 V. These switches also feature high switching speeds and low RON.

The ADG201A switches are turned on with a logic low on the appropriate control input. Each switch conducts equally well in both directions when ON and each has an input signal range that extends to the supplies. All switches exhibit break-before-make switching action for use in multiplexer applications. Inherent in the design is low charge injection for minimum transients when switching the digital inputs.

Subscribe to Welllinkchips !
Your Name
* Email
Submit a request