0
ADF7021
  • ADF7021
  • ADF7021

ADF7021

NOT RECOMMENDED FOR NEW DESIGNS

High Performance Narrowband ISM Transceiver IC

Analog Devices ADF7021 Product Info

10 February 2026 4

Features

  • Low power, high performance, narrowband transciever
  • Frequency Bands: 80-650MHz and 862-940MHz
  • Modulation schemes: 2FSK, 3FSK, 4FSK
  • Spectral shaping: Gaussian and Raised Cosine Filtering
  • Automatic PA ramp
  • Data rates supported: 0.05kps to 25kbps
  • Programmable output power: –16dBm to +13dBm
  • Low IF architecture with programmable IF bandwidths of 12.5/18.5/25kHz
  • 2.3V to 3.6V Power Supply
  • Receiver sensitivity: –123dBm @ 1kbps FSK
  • Fully automatic frequency control loop (AFC) compensates for lower tolerance crystals
  • High Accuracy digital RSSI and integrated Tx/Rx switch

Part details & applications

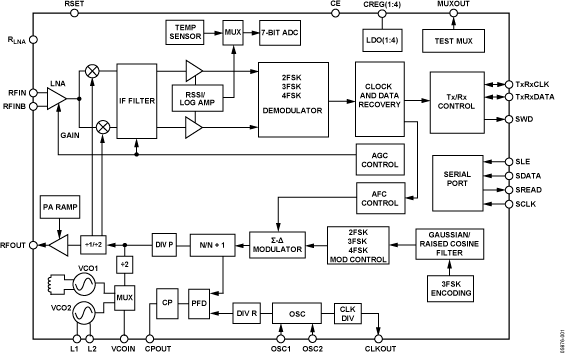
The ADF7021 is a low power, highly integrated 2FSK/3FSK/4FSK transceiver. It is designed to operate in the narrowband, license-free ISM bands and licensed bands in the 80 MHz to 650 MHz and 862 MHz to 940 MHz frequency ranges. It has both Gaussian and raised cosine data filtering options to improve spectral efficiency for narrowband applications.

It is suitable for circuit applications targeted at European ETSI-EN 300-220, the Japanese ARIB STD-T67, the Chinese Short Range Device regulations, and the North American FCC Part 15, Part 90, and Part 95 regulatory standards. A complete transceiver can be built using a small number of external discrete components, making the ADF7021 very suitable for price-sensitive and area-sensitive applications.

The transmit section contains a voltage controlled oscillator (VCO) and a low noise fractional-N PLL with output resolution of <1 ppm. This frequency-agile PLL allows the ADF7021 to be used in frequency hopping spread spectrum (FHSS) systems. The VCO operates at twice the fundamental frequency to reduce spurious emissions and frequency pulling problems. The transmitter output power is programmable in 63 steps from −16 dBm to +13 dBm and has an automatic power ramp control to prevent spectral splatter and help meet regulatory standards. The transceiver RF frequency, channel spacing, and modulation are programmable using a simple 3-wire interface. The device operates with a power supply range of 2.3 V to 3.6 V and can be powered down when not in use.

A low IF architecture is used in the receiver (100 kHz), minimizing power consumption and the external component count while avoiding interference problems at low frequencies. The IF filter has programmable bandwidths of 12.5 kHz, 18.75 kHz, and 25 kHz. The ADF7021 supports a wide variety of programmable features including Rx linearity, sensitivity, and IF bandwidth, allowing the user to trade off receiver sensit

Subscribe to Welllinkchips !
Your Name
* Email
Submit a request