0
ADF4159
  • ADF4159
  • ADF4159

ADF4159

RECOMMENDED FOR NEW DESIGNS

Direct Modulation/Fast Waveform Generating, 13 GH z , Fractional-N Frequency Synthesizer

Analog Devices ADF4159 Product Info

10 February 2026 9

Features

  • RF bandwidth to 13 GHz
  • High and low speed FMCW ramp generation
  • 25-bit fixed modulus allows subhertz frequency resolution
  • PFD frequencies up to 110 MHz
  • Normalized phase noise floor of −224 dBc/Hz
  • FSK and PSK functions
  • Sawtooth, triangular, and parabolic waveform generation
  • Ramp superimposed with FSK
  • Ramp with 2 different sweep rates
  • Ramp delay, frequency readback, and interrupt functions
  • Programmable phase control
  • 2.7 V to 3.45 V analog power supply
  • 1.8 V digital power supply
  • Programmable charge pump currents
  • 3-wire serial interface
  • Digital lock detect
  • ESD performance: 3000 V HBM, 1000 V CDM
  • Qualified for automotive applications

Part details & applications

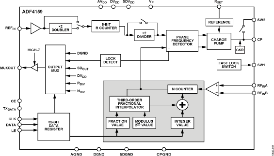
The ADF4159 is a 13 GHz, fractional-N frequency synthesizer with modulation and both fast and slow waveform generation capability. The part uses a 25-bit fixed modulus, allowing subhertz frequency resolution.

The ADF4159 consists of a low noise digital phase frequency detector (PFD), a precision charge pump, and a programmable reference divider. The Σ-Δ-based fractional interpolator allows programmable fractional-N division. The INT and FRAC registers define an overall N divider as N = INT + (FRAC/225).

The ADF4159 can be used to implement frequency shift keying (FSK) and phase shift keying (PSK) modulation. Frequency sweep modes are also available to generate various waveforms in the frequency domain, for example, sawtooth and triangular waveforms. Sweeps can be set to run automatically, or each step manually triggered by an external pulse. The ADF4159 features cycle slip reduction circuitry, which enables faster lock times without the need for modifications to the loop filter.

Control of all on-chip registers is via a simple 3-wire interface. The ADF4159 operates with an analog power supply in the range of 2.7 V to 3.45 V and a digital power supply in the range of 1.62 V to 1.98 V. The device can be powered down when not in use.

Applications

  • Communications infrastructure
  • Communications test equipment
  • Instrumentation
  • FMCW radars

Subscribe to Welllinkchips !
Your Name
* Email
Submit a request