0
ADF4150HV
  • ADF4150HV
  • ADF4150HV

ADF4150HV

RECOMMENDED FOR NEW DESIGNS

High Voltage, Fractional-N / Integer-N PLL Synthesizer

Analog Devices ADF4150HV Product Info

10 February 2026 8

Features

  • Fractional-N synthesizer and integer-N synthesizer
  • High voltage charge pump: VP = 6 V to 30 V Tuning range: 1.0 V to 29 V (or ±1 V from VP supply rails)
  • RF bandwidth to 3.0 GHz
  • Programmable divide-by-1/-2/-4/-8/-16 outputs
  • Synthesizer power supply: 3.0 V to 3.6 V
  • Programmable dual-modulus prescaler of 4/5 or 8/9
  • Programmable output power level
  • Programmable charge pump currents
  • RF output mute function
  • 3-wire serial interface
  • Analog and digital lock detect

Part details & applications

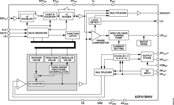
The ADF4150HV is a 3.0 GHz, fractional-N or integer-N frequency synthesizer with an integrated high voltage charge pump. The synthesizer can be used to drive external wideband VCOs directly, eliminating the need for operational amplifiers to achieve higher tuning voltages. This simplifies design and reduces cost while improving phase noise, in contrast to active filter topologies, which tend to degrade phase noise compared to passive filter topologies.

The VCO frequency can be divided by 1, 2, 4, 8, or 16 to allow the user to generate RF output frequencies as low as 31.25 MHz. For applications that require isolation, the RF output stage can be muted. The mute function is both pin- and software-controllable.

A simple 3-wire interface controls all on-chip registers. The charge pump operates from a power supply ranging from 6 V to 30 V, whereas the rest of the device operates from 3.0 V to 3.6 V. The ADF4150HV can be powered down when not in use.

Applications

  • Wireless infrastructure
  • Microwave point-to-point/point-to-multipoint radios
  • VSAT radios
  • Test equipment
  • Private/land mobile radio

Subscribe to Welllinkchips !
Your Name
* Email
Submit a request