0
ADCLK925S
  • ADCLK925S

ADCLK925S

RECOMMENDED FOR NEW DESIGNS

Aerospace Ultrafast SiGe ECL Clock/Data Buffers

Analog Devices ADCLK925S Product Info

10 February 2026 7

Features

  • 240 ps propagation delay
  • 7 GHz toggle rate
  • 60 ps typical output rise/fall
  • 60 fs random jitter (RJ)
  • On-chip terminations at both input pins
  • Extended military temperature range: −55°C to +125°C
  • 3.3 V power supply (VCC – VEE)

Part details & applications

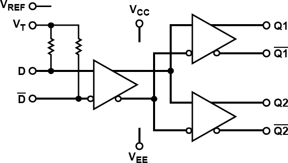
The ADCLK925S (one input, two outputs) is a ultrafast clock/data buffer fabricated on the Analog Devices, Inc., proprietary XFCB3 silicon germanium (SiGe) bipolar process.

The ADCLK925S features full-swing emitter coupled logic (ECL) output drivers. For PECL (positive ECL) operation, bias VCC to the positive supply and VEE to ground. For NECL (negative ECL) operation, bias VCC to ground and VEE to the negative supply.

The buffer offers 240 ps propagation delay, 7 GHz toggle rate, 10 Gbps data rate, and 60 fs random jitter (RJ).

The inputs have center-tapped, 100 Ω, on-chip termination resistors. A VREF pin is available for biasing ac-coupled inputs.

The ECL output stages are designed to directly drive 800 mV each side into 50 Ω terminated to VCC − 2 V for a total differential output swing of 1.6 V.

The ADCLK925S is available in 16-lead ceramic flat pack package

Subscribe to Welllinkchips !
Your Name
* Email
Submit a request