0
ADBMS2970
  • ADBMS2970

ADBMS2970

RECOMMENDED FOR NEW DESIGNS

Battery Pack Monitor

Analog Devices ADBMS2970 Product Info

10 February 2026 8

Features

  • Battery pack current measurement
    • Buffered analog inputs
    • Continuous operation option
    • Lossless measurement for coulomb counting
    • 1 ms update rate
    • ±0.1% maximum gain error
    • ±1 μV maximum offset
    • Redundant implementation
  • Battery pack voltage measurement
    • Buffered analog inputs
    • Synchronous with current measurement
    • Differential and single-ended mode
    • Redundant implementation
  • Up to 20 voltage measurement channels
    • Buffered analog inputs
    • On-demand operation
    • Differential and single-ended mode
    • Redundant implementation
    • Built-in external reference
    • True ratiometric measurements
  • Overcurrent detection
    • Triple redundancy with majority voting
    • PWM output options
  • Support for electric impedance spectroscopy
  • Built-in isoSPI™ interface
    • 2 Mbps isolated serial communications
    • Capacitor or transformer coupled
    • Daisy-chaining option
    • 4-wire SPI option
  • General-purpose digital IO
    • Six general-purpose outputs (GPOs)
    • Dual threshold read-back of GPOs
    • Four GPIOs configurable as an I2C or SPI controller
  • 48-Lead side-solderable QFN package
  • AEC-Q100 qualified
  • Developed for use in ISO 26262 applications for automotive safety integrity level capability D (ASIL D)

Part details & applications

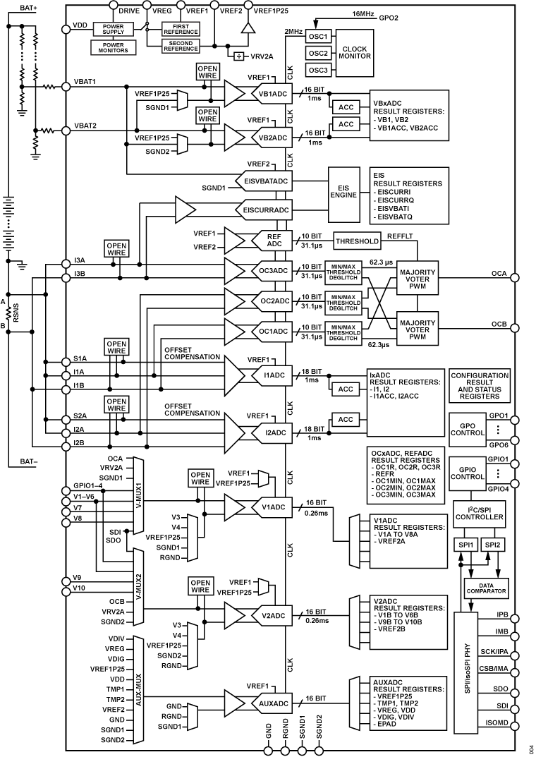
The ADBMS2970 is a battery pack monitor (also referred to as ADBMS Pack Monitor) for electrical and hybrid vehicles, and other current or voltage sense applications. It also supports EIS current channel and EIS pack voltage measurements.

The ADBMS2970 measures the current flowing in and out of a battery pack by sensing the voltage drop over a shunt resistor with very low offset. The ADBMS2970 measures EIS current by sensing voltage drops across the same shunt resistor.

Six digital outputs (GPO) supporting open-drain or push-pull mode can be used to control HV transistors to disconnect external resistor dividers. Four digital general-purpose inputs/outputs (GPIO) can also operate as an I2C/SPI controller interface to address external serial peripherals (such as EEPROM).

A total of 12 dedicated buffered high-impedance inputs (V1 to V10, VBAT1, and VBAT2) are provided for measuring voltages from external sensors or resistor dividers enabling measurement of pack voltages, temperatures, HV-Link voltages, chassis isolation, and supervision of the state of contactors and fuses. An additional eight buffered high-impedance inputs (V11 to V18) are available in certain configurations for a total of 20 inputs. The built-in serial interface of the ADBMS Pack Monitor can be configured for SPI or isolated isoSPI communication with the BMS controller. It has an additional isoSPI port, which allows connecting a daisy-chain of ADBMS Pack Monitor devices, optionally extended with ADBMS6840/6842/6843 cell monitors (ADBMS cell monitors).

APPLICATIONS

  • Electric and hybrid electric vehicles
  • Backup battery systems
  • Grid energy storage

Subscribe to Welllinkchips !
Your Name
* Email
Submit a request