0
ADAS1000-4
  • ADAS1000-4
  • ADAS1000-4
  • ADAS1000-4

ADAS1000-4

RECOMMENDED FOR NEW DESIGNS

Low Power, 3-Electrode Electrocardiogram (ECG) Analog Front End with respiration measurement and pace detection

Analog Devices ADAS1000-4 Product Info

10 February 2026 8

Features

  • Biopotential signals in; digitized signals out
  • 3 acquisition (ECG) channels and one driven lead
  • Can be ganged for 8 electrode + RLD using Master ADAS1000 or ADAS1000-1
  • AC and DC lead-off detection
  • Internal pace detection algorithm on 3 leads
  • Support for user’s own pace
  • Selectable reference lead
  • Scalable noise vs. power control, power-down modes
  • Low power operation from 11 mW
    (1 lead), 15 mW (3 leads)
  • Lead or electrode data available
  • See data sheet for additional features

Part details & applications

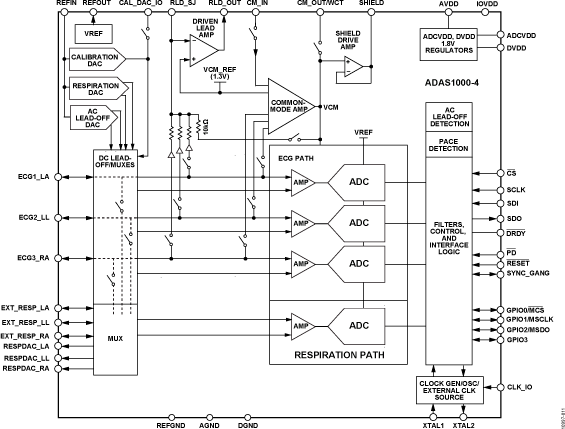
The ADAS1000-3 / ADAS1000-4 measure electro cardiac (ECG) signals, thoracic impedance, pacing artifacts, and lead-on/off status and output this information in the form of a data frame supplying either lead/vector or electrode data at programmable data rates. Its low power and small size make it suitable for portable, battery-powered applications. The high performance also makes it suitable for higher end diagnostic machines.

The ADAS1000-4 is a full-featured, 3-channel ECG including respiration and pace detection, while the ADAS1000-3 offers only ECG channels with no respiration or pace features.

The ADAS1000-3 / ADAS1000-4 are designed to simplify the task of acquiring and ensuring quality ECG signals. They provide a low power, small data acquisition system for biopotential applications. Auxiliary features that aid in better quality ECG signal acquisition include: multichannel averaged driven lead, selectable reference drive, fast overload recovery, flexible respiration circuitry returning magnitude and phase information, internal pace detection algorithm operating on three leads, and the option of ac or dc lead-off detection. Several digital output options ensure flexibility when monitoring and analyzing signals. Value-added cardiac post processing is executed externally on a DSP, microprocessor, or FPGA.

Because ECG systems span different applications, the ADAS1000-3 / ADAS1000-4 feature a power/noise scaling architecture where the noise can be reduced at the expense of increasing power consumption. Signal acquisition channels may be shut down to save power. Data rates can be reduced to save power.

To ease manufacturing tests and development as well as offer holistic power-up testing, the ADAS1000-3 / ADAS1000-4 offer a suite of features, such as dc and ac test excitation via the calibration DAC and CRC redundancy testing in addition to re

Subscribe to Welllinkchips !
Your Name
* Email
Submit a request