0
AD9238
  • AD9238
  • AD9238

AD9238

PRODUCTION

12-Bit, 20 MSPS/40 MSPS/65 MSPS, Dual A/D Converter

Analog Devices AD9238 Product Info

10 February 2026 8

Features

  • Integrated dual 12-bit ADC
  • Single 3 V supply operation (2.7 V to 3.6 V)
  • SNR = 70 dB (to Nyquist, AD9238-65)
  • SFDR = 80.5 dBc (to Nyquist, AD9238-65)
  • Low power: 300 mW/channel at 65 MSPS
  • Differential input with 500 MHz, 3 dB bandwidth
  • Exceptional crosstalk immunity > 85 dB
  • Flexible analog input: 1 V p-p to 2 V p-p range
  • Offset binary or twos complement data format
  • Clock duty cycle stabilizer
  • Output datamux option

Part details & applications

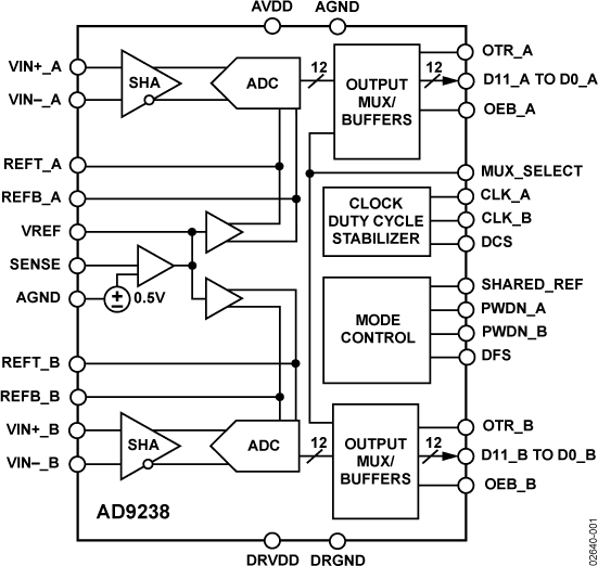
The AD9238 is a dual, 3 V, 12-bit, 20/40/65 MSPS analog to digital converter. It features dual high performance sample-and-hold amplifiers and an integrated voltage reference. The AD9238 uses a multistage differential pipelined architecture with output error correction logic to provide 12-bit accuracy and guarantee no missing codes over the full operating temperature range at up to 65 MSPS data rates.

The wide bandwidth, differential SHA allows for a variety of user-selectable input ranges and offsets including single-ended applications. It is suitable for various applications including multiplexed systems that switch full-scale voltage levels in successive channels and for sampling inputs at frequencies well beyond the Nyquist rate. The AD9238 is suitable for applications in communications, imaging and medical ultrasound.

Dual single-ended independent clock inputs are used to control all internal conversion cycles. A Duty Cycle Stabilizer (DCS) is available on the AD9238-65 and can compensate for wide variations in the clock duty cycle, allowing the converters to maintain excellent performance. The digital output data is presented in either straight binary or twos complement format. Out-of-range signals indicate an overflow condition, which can be used with the most significant bit to determine low or high overflow.

Fabricated on an advanced CMOS process, the AD9238 is available in either a space saving 64-pin LQFP or 64-pin LF-CSP and is specified over the industrial temperature range (-40°C to +85°C).

PRODUCT HIGHLIGHTS

  1. Pin-compatible with the AD9248, 14-bit 20MSPS/ 40 MSPS/65 MSPS ADC.
  2. Speed grade options of 20 MSPS, 40 MSPS, and 65 MSPS allow flexibility between power, cost, and performance to suit an application.
  3. Low power consumption: AD9238-65: 65 MSPS = 600 mW, AD9238-40: 40 MSPS = 330 mW, and AD9238-20: 20 MSPS = 180 mW.
Subscribe to Welllinkchips !
Your Name
* Email
Submit a request