0
AD9222
  • AD9222
  • AD9222

AD9222

NOT RECOMMENDED FOR NEW DESIGNS

Octal, 12-Bit, 40/50/65 MSPS Serial LVDS 1.8 V A/D Converter

Analog Devices AD9222 Product Info

10 February 2026 10

Features

  • 8 ADCs integrated into 1 package
  • 114 mW ADC power per channel at 65 MSPS
  • SNR = 70 dB (to Nyquist)
  • ENOB = 11.3 bits
  • SFDR = 80 dBc
  • Excellent linearity:
    - DNL = ±0.3 LSB (typical),
    - INL = ±0.4 LSB (typical)
  • Serial LVDS (ANSI-644, default)
    Low power, reduced signal option (similar IEEE 1596.3)
  • Data and frame clock outputs
  • 325 MHz full-power analog bandwidth
  • 2 V p-p input voltage range
  • 1.8 V supply operation
  • Serial port control
    -Full-chip and individual-channel power-down modes
    -Flexible bit orientation
    -Built-in and custom digital test pattern generation
    -Programmable clock and data alignment
    -Programmable output resolution
    -Standby mode

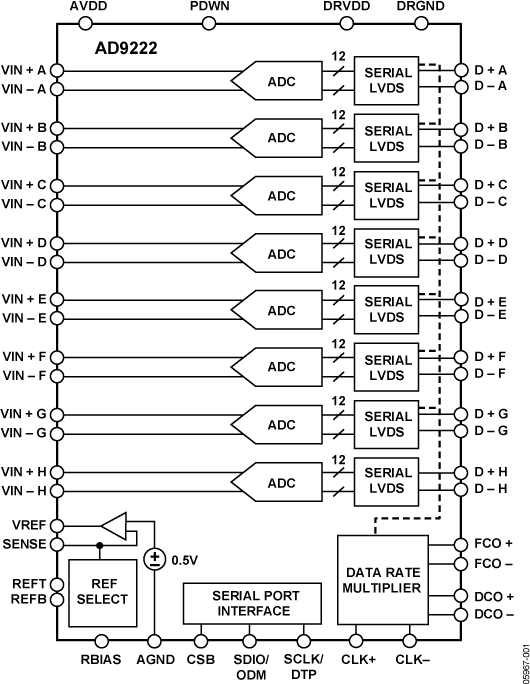
The AD9222 is an octal, 12-bit, 40/50/65 MSPS analog-to-digital converter (ADC) with an on-chip sample-and-hold circuit designed for low cost, low power, small size, and ease of use. The product operates at a conversion rate of up to 65 MSPS and is optimized for outstanding dynamic performance and low power in applications where a small package size is critical.

The ADC requires a single 1.8 V power supply and LVPECL-/ CMOS-/LVDS-compatible sample rate clock for full performance operation. No external reference or driver components are required for many applications.

The ADC automatically multiplies the sample rate clock for the appropriate LVDS serial data rate. A data clock output (

Part details & applications

The AD9222 is an octal, 12-bit, 40/50/65 MSPS analog-to-digital converter (ADC) with an on-chip sample-and-hold circuit designed for low cost, low power, small size, and ease of use. The product operates at a conversion rate of up to 65 MSPS and is optimized for outstanding dynamic performance and low power in applications where a small package size is critical.

The ADC requires a single 1.8 V power supply and LVPECL-/ CMOS-/LVDS-compatible sample rate clock for full performance operation. No external reference or driver components are required for many applications.

The ADC automatically multiplies the sample rate clock for the appropriate LVDS serial data rate. A data clock output (DCO) for capturing data on the output and a frame clock output (FCO) for signaling a new output byte are provided. Individual-channel power-down is supported and typically consumes less than 2 mW when all channels are disabled.

The ADC contains several features designed to maximize flexibility and minimize system cost, such as programmable clock and data alignment and programmable digital test pattern generation. The available digital test patterns include built-in deterministic and pseudorandom patterns, along with custom user-defined test patterns entered via the serial port interface (SPI).

The AD9222 is available in an RoHS compliant, 64-lead LFCSP. It is specified over the industrial temperature range of -40°C to +85°C.

PRODUCT HIGHLIGHTS

  1. Small Footprint. Eight ADCs are contained in a small, space-saving package.
  2. Low power of 114 mW/channel at 65 MSPS.
  3. Ease of Use. A data clock output (DCO) is provided that operates at frequencies of up to 390 MHz and supports double data rate (DDR) operation.
  4. User Flexibility. The SPI control offers a wide range of flexible features to meet specific syst