0
AD7841
  • AD7841

AD7841

PRODUCTION

Octal 14-Bit, Parallel Input, Voltage-Output DAC

Analog Devices AD7841 Product Info

10 February 2026 7

Features

  • Eight 14-Bit DACs in One Package
  • Voltage Outputs
  • Offset Adjust for Each DAC Pair
  • Reference Range of ±5 V
  • Maximum Output Voltage Range of ±10 V
  • ±15 V ± 10% Operation
  • Clear Function to User-Defined Voltage
  • 44-Lead MQFP Package

Part details & applications

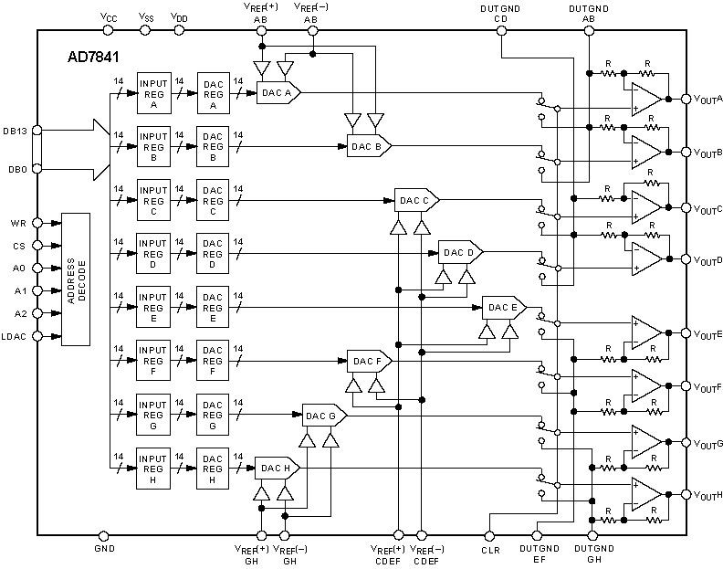
The AD7841 contains eight 14-bit, buffered voltage-output DACs on one monolithic chip. It has output voltages with a full-scale range of ±10 V from reference voltages of ±5 V. There are 3 separate differential references with buffered inputs; one for DACs A and B, one for DACs G and H and one for DACs C, D, E and F. The AD7841 accepts 14-bit parallel loaded data from the external bus into one of the input latches under the control of the WR, CS and DAC address pins, A0-A2. The DAC outputs are updated on reception of new data into the DAC registers. Each DAC output is buffered with a gain-of-two amplifier into which an external DAC offset voltage can be inserted via the DUTGND pins. The AD7841 is available in a 44-pin PQFP package.

Subscribe to Welllinkchips !
Your Name
* Email
Submit a request