0
AD5391
  • AD5391
  • AD5391
  • AD5391

AD5391

PRODUCTION

16-Channel 3V/5V Serial Input Single-Supply 12-Bit Voltage-Output

Analog Devices AD5391 Product Info

10 February 2026 11

Features

  • AD5390: 16-channel, 14-bit voltage output DAC
  • AD5391: 16-channel, 12-bit voltage output DAC
  • AD5392: 8-channel, 14-bit voltage output DAC
  • Guaranteed monotonic
  • INL
    ±1 LSB max (AD5391)
    ±3 LSB max (AD5390-5/AD5392-5)
    ±4 LSB max (AD5390-3/AD5392-3)
  • Temperature range: −40°C to +85°C
  • Rail-to-rail output amplifier
  • Power-down mode
  • Package types
    64-lead LFCSP (9 mm × 9 mm)
    52-lead LQFP (10 mm × 10 mm)
  • User interfaces
  • See data sheet for additional features

Part details & applications

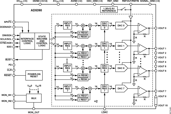
The AD5390 / AD5391 are complete single-supply, 16-channel, 14-bit and 12-bit DACs, respectively. The AD5392 is a complete single-supply, 8-channel, 14-bit DAC. The devices are available in either a 64-lead LFCSP or a 52-lead LQFP. All channels have an on-chip output amplifier with rail-to-rail operation. All devices include an internal 1.25/2.5 V, 10 ppm/°C reference, an on-chip channel monitor function that multiplexes the analog outputs to a common MON_OUT pin for external monitoring, and an output amplifier boost mode that optimizes the output amplifier slew rate.

The AD5390 / AD5391 / AD5392 contain a 3-wire serial interface with interface speeds in excess of 30 MHz that are compatible with SPI®, QSPI, MICROWIRE, and DSP interface standards and an I2C-compatible interface supporting a 400 kHz data transfer rate.

An input register followed by a DAC register provides double-buffering, allowing DAC outputs to be updated independently or simultaneously using the LDAC input. Each channel has a programmable gain and offset adjust register, letting the user fully calibrate any DAC channel.

Power consumption is typically 0.25 mA per channel.

APPLICATIONS

  • Instrumentation and industrial control
  • Power amplifier control
  • Level setting (ATE)
  • Control systems
  • Microelectromechanical systems (MEMS)
  • Variable optical attenuators (VOAs)
  • Optical transceivers (MSA 300, XFP)

Subscribe to Welllinkchips !
Your Name
* Email
Submit a request